公司产品
深圳市高士达精密机械有限公司
手机:159-9953-8817
电话:0755-29673755/3955
邮箱:2251952937@qq.com
传真:0755-29673856
地址:深圳市宝安区观兰镇君子布村君新路(142号)胜顺产业园B栋
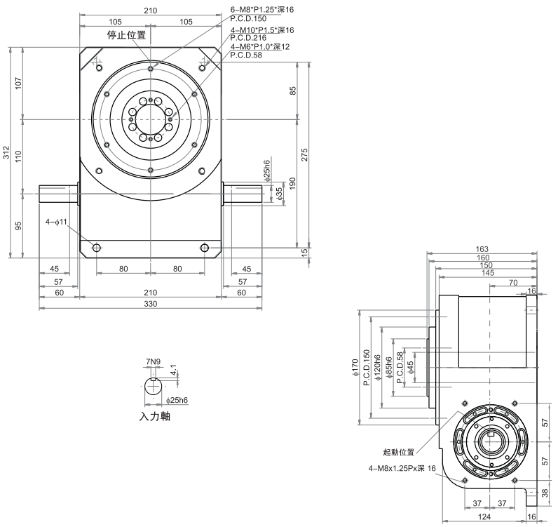
110DA分割器
110DA分割器

东莞110DA分割器怎么样?间歇分割器厂家高士达是一家集研发,生产,服务为一体的江南网页版及精密机械凸轮的制造企业。公司主要以服务机械工业发展为使命,在自我完善中跟随客户共同进取,努力为全社会机械工业发展作出积极的贡献。除此之外,公司还有自己的专业的技术团队,本公司联合台湾资深凸轮设计制造专家,引进美国专业凸轮设计制造系统,同时引进台湾专业凸轮生产设备并成功等。
技术参数
| 项目 | 符号 | 单位 | 数值 |
| 输出轴容许轴向载荷 | P1 | N | 6800 |
| 输出轴容许轴向载荷 | P2 | N | 3400 |
| 输出轴的容许扭距 | Ts | N.m | 参考扭距功能表 |
| 输出轴的扭距刚度 | K1 | N.m/rad | 4.43x105 |
| 输出轴的惯性矩 | Jo | kgf-m2 | 3.47x10-3 |
| 输出轴的容许弯曲扭距 | P3 | N.m | 147 |
| 输出轴容许轴向载荷 | P4 | N | 3000 |
| 输出轴最大重复弯曲力 | P5 | N | 3500 |
| 输出轴最大重复容许扭距 | P6 | N.m | 294 |
| 输出轴的抗扭刚度 | K2 | N.m/rad | 3.98x104 |
| 输出轴的惯性矩 | Jc | kgf-m2 | 6.0x10-3 |
| 1DWLL分度精度 | sec | ±30 | |
| 2DWLL分度精度 | sec | ±60 | |
| 重复精度 | sec | 30 | |
| 本机重量 | kg | 42 | |
| 箱体涂装色 | 土黄色 | ||
| 齿轮减速电机涂装色 | 请参考出厂实际情况 | ||
注:输出轴的惯性矩为停止时的值














