公司产品
深圳市高士达精密机械有限公司
手机:159-9953-8817
电话:0755-29673755/3955
邮箱:2251952937@qq.com
传真:0755-29673856
地址:深圳市宝安区观兰镇君子布村君新路(142号)胜顺产业园B栋
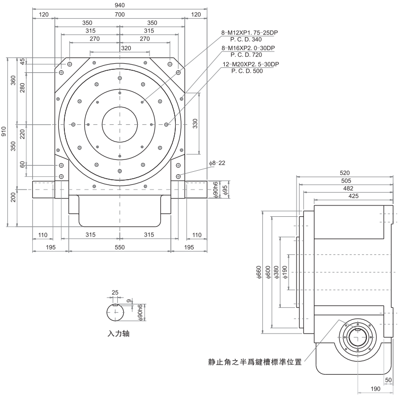
350DT分割器
350DT分割器

高精度江南网页版厂家深圳市高士达精密机械有限公司生产的350DT分割器、80DT分割器、110DT分割器、140DT分割器、180DT、250DT等分割器型号产品,作为分割器厂家的追求,高士达以服务机械工业发展为使命,在自我完善中跟随客户共同进取,努力为全社会机械工业发展作出积极的贡献。除此之外,高士达更是一家集研发,生产,服务为一体的江南网页版及精密机械凸轮的制造企业。
平台桌面型(80DT,110DT,140DT,180DT,250DT,350DT)
此系列机种之尺寸设计特性与凸缘型功能想啥,于驱动运转上可承载超大轴向负载及垂直径向压力,在输出端有一凸起固定盘面及大孔径空心轴,可搭配设置功能、静态自动化周边设备,可将动力源之电、油、气管路置于空心孔内,此系列机种广泛用于重负载、直接自动化设备之各类机构及产业机械,作同步自动化间歇运动。
技术参数
| 项目 | 符号 | 单位 | 数值 |
| 出力轴容许径向负荷 | C1 | kgf | 4500 |
| 出力轴容许轴向负荷 | C2 | kgf | 3300 |
| 出力轴容许力矩 | Ts | kgf-m | 参考力矩表 |
| 入力轴容许径向负荷 | C3 | kgf | 2800 |
| 入力轴最大弯曲力矩 | C4 | kgf | 3800 |
| 入力轴最大扭矩 | C5 | kgf-m | 1000 |
| 入力轴的GD2(注1) | C6 | kgf-m2 | 3.7 |
| 定位分割精度 | sec | ±30 | |
| 重量 | kg | 1800 |
注:入力轴的GD2是在停留范围内的数值。
注:C1至C5数值是达到安全系数=2时的数值。














